good 第一篇、教你学会看电路图轻松修手机
一、一套完整的主板电路图,是由主板原理图和主板元件位置图组成的。
1.主板原理图,如图:

2.主板元件位置图,如图:

主板元件位置图的作用:是方便用户找到相应元件所在主板的正确位置。而主板原理图是让用户对主板的电路原理有所了解,知道各个芯片的功能,及其线路的连接。
二、相关名词解释
电路图中会涉及到许多英文标识,这些标识主要起到了辅助解图的作用,如果不了解它们,根本不知道他们的作用,也就根本不可能看得懂原理图。所以在这里我们会将主要的英文标识进行解释。希望大家能够背熟记熟,同时希望大家多看电路图,对不懂的英文及时查找记熟。
如图:



以上英文标识在电路图上会灵活出现,比如“扬声器”是“SPEAKER” ,它的缩写就是“SPK”,“正极”是“positive” ,缩写是“P” ,那么如果在图中标记 SPKP,那么就证明它是扬声器正极。所以当有英文不明白的时候,可以将它们拆开后再进行理解,请大家灵活运用。
第二节 主板元件位置图
一、元件编号
每一个元件在主板元件位置图中,都有一个唯一的编号。这个编号由英文字母和数字共同组成。编号规则可以分成以下几类:
芯片类:以 U 为开头,如 CPU U101
接口类:以 J 为开头,如键盘接口 J1202
三极管类:以 Q 为开头,如三极管 Q1206
二级管类:以 D 为开头,如二极管 D1102
晶振类:以 X 为开头,如 26M 晶体 X901
电阻类:以 R 或VR(压敏电阻)为开头,如电阻 R32 VR211
电容类:以 C 为开头,如电容 C101
电感类:以 L 为开头,如电感 L1104
侧键类:以 S 为开头,如侧键 S1201
电池类:以 B 为开头,如备用电池 B201
屏蔽罩:以 SH 为开头,如屏蔽罩 SH1
振动器:以 M 为开头,如振子 M201
还有一部分标号是主板上的测试点,以 TP 为开头。
二、查找元件功能
用户可以根据相应的元件编号去查找主板原理图,从而了解此元件的作用。随便拿块主板作为示例。
如果想了解某一个元件的主要功能(图中红圈内元件)
如图:

首先需要查看该型号的主板元件位置图,根据该元件所在位置找到该元件的编号为U601。
如图:

再根据元件编号查看主板原理图,找到该元件编号的位置。
如图:

判别该元件作用的方法有两种:
1.根据该元件周围线路标识判断,如上图中标有FM_ANT,从而说明此芯片的作用是负责调频收音机的信号处理。
2.是根据该元件所在图纸右下角的说明判断。
如图:

三、查看元件位置
主板元件位置图的另一大作用是根据主板原理图中某一个元件标号,去寻找该元件所在主板的位置。现在仍以这个主板为例进行说明,假如在维修发射关机的主板时,我们知道引起发射关机的主要原因是由于射频功放内部短路击穿所致,所以根据主板原理图,查找射频功放的编号。
查找元件位置的方法有:
1、根据元件型号查找。如射频功放的型号为 RF3166
如图:

那么首先查找主板原理图,找到标有RF3166 的位置,并将元件编号 U401 记住。
如图:

然后打开主板元件位置图,查找 U401 所在主板的位置进行更换。
如图:

2、根据主板原理图查找。此方法需要用户必须能够看懂原理图,熟知第一节中的相关名词解释。比如:屏幕移动感应出现故障,根据原理图找到移动感应器的英文标识MOTION SENSOR。
如图:

查看该元件的编号为 U1208,再查看主板元件位置图找到相应位置。
如图:

3、查找阻容元件。如果我们想要查找某一阻容元件,而一块主板上又有那么多的电阻电容,有没有好的方法进行查找呢?其实,也是很简单的,我们只需要找到和阻容元件编号第一位数字相同的主要芯片的元件编号,那么这个阻容元件多数情况下就在这个芯片的周围。例如:想要查找 R201 和C203 的位置。
如图:

可以看到,R201、C203与U201的第一位数字相同,所以我们只需要先在主板原理图中找 U201的位置,然后只要在它周围查找即可。
如图:

一、主板原理图中的标识
我们只要学会查找主板原理图, 就能够根据它去深入的进行维修。下面我们将对主板原理图中的标识进行解释。
如图:


二、各标识的作用
1、附加电路:主要将主信号或主电压进行转换或变换的电路。如下图:是将 AVDD 电压通过阻容电路转换为VCC_MT6189的专用电压。
如图:

2、线路连接页号提示:为了用户方便查找,在每一条非终端的线路上会标识与之连接的另一端信号的页码。
例如下图:我们想查找 FM_INR 和FM_INL 由谁输入到 U601 的,那么根据线路连接页号提示,就可以直接寻找第一张电路图,并根据信号描述找到所连接的芯片是U101。
如图:


要说明一点,并不是所有机型的电路图都有线路连接页号提示,那么就需要大家多看电路图,因为所有的电路图都是万变不离其宗,能精读一种电路就能一通百通。
3、芯片管脚编号:标明此芯片的管脚编号。方便用户查找芯片引脚或焊盘。
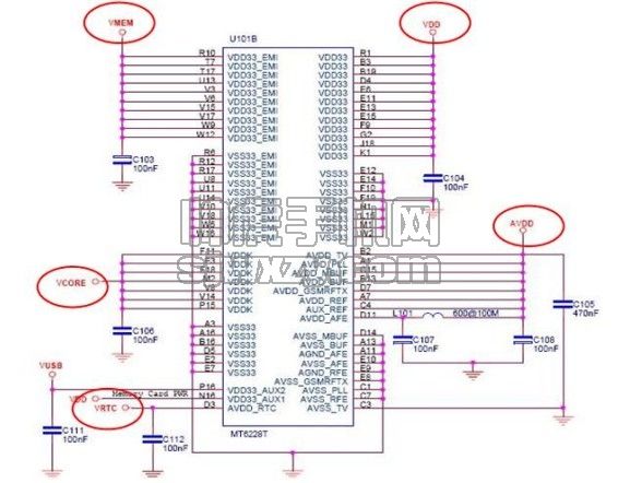
4、电压名称:标明了芯片所需的电压名称。电池提供 VBAT的电压后,通过电源芯片处理,分别输出7种电压,以供给其他芯片进行工作。
如图:

下图为 CPU所使用的 5种电压,分别为 VMEM、VDD、AVDD、VCORE、VRTC
如图:

5、接地点:此点接地。主板上的任何一个接地点都是相通的,它也相当于电池的负极。
如图:

6、电感符号:会在该电感的旁边标注它的大小。如图:电感 L602 为 15nH
如图:

7、主电路功能描述:主要描述本张图的功能。如图:
如图:

8、电容符号:会在该电容的旁边标注它的大小。如图:电容C607为100pF 。
如图:

9、信号说明:对该线路传输的信号进行描述。IO18_FM32K 说明此信号是通往FM的32K时钟
信号。
如图:

10、元件编号:对每一个元件进行编号。编号规则在前面已经有所介绍。在这里,CPU的
编号有一个小小的区别。如图:它将 U101 CPU 这个元件编号分为了四个部分,但是它们
仍然是一个元件,仔细看图后我们会发现,只不过是因为每一部分处理的功能不一样,一
方面使得看图人更加明白,另一方面如果画在一张图上的话,势必线路就要缩小,造成走线
不清晰。
如图:

11、空点:用NC或X表示,如果在维修过程中发现是空点的焊盘掉了,那么对于维修没有影响。
如图:

12、管脚说明:主要针对芯片内部管脚进行描述,可以配合信号说明同时分析。
如图:

13、电阻符号:会在该电阻的旁边标注它的大小。如图:电阻 R504 的大小为 100K欧
如图:

14、线路化简标识:一般用于批量线路走线时使用。如图:U303 FLASH 的存储器地址总线EA1至EA15一起连接到CPU的EA1至EA15。
对应走线为,如图:


15、分部电路虚框:将功能独体的电路区分开来,每块区域负责不同的电路功能。
如图:

总结:看懂手机电路图,并且能在实际工作中灵活运用,是一个专业维修员的基本要求。学会手机电路图的识别,并了解其电路原理,您就可以向更高的一个层次迈进。那就让我们不断努力,继续前进,共同学习,共同进步。。。
